SEURAA MEITÄ:

Tuotteet
SLT Rele
  • SLT ReleSLT Rele

SLT Rele

Ammattimaisena kiinalaisena valmistajana ja toimittajana Ningbo Songle Relay Co., Ltd. on erikoistunut tuottamaan korkealaatuista SLT-relettä, jolla on vakaa suorituskyky ja tiukka laadunvalvonta. Tehtaamme on varustettu edistyneillä tuotantolinjoilla ja kokeneella teknisellä tiimillä, mikä varmistaa, että jokainen tuote täyttää kansainväliset standardit ja ostajien vaatimukset. Tarjoamme myös OEM- ja ODM-räätälöintiä, kilpailukykyisen tehdashinnoittelun ja ilmaisia ​​näytteitä arviointia varten. Ota meihin yhteyttä tänään saadaksesi nopean tarjouksen ja ammattitaitoisen tuen luotettavalta Kiinan tehtaalta.

Käyttöskenaariot: Takalasin huurteenpoistolaite, akun irrotuslaite, auton ilmastointi, polttoainepumpun ohjaus, sumuvalojen jäähdytystuulettimen ohjaus, ajovalojen hallinta, lämmitin (istuin, etu-/takaikkunan lämmitys), pyyhkimen ohjaus, istuimen säätö jne.

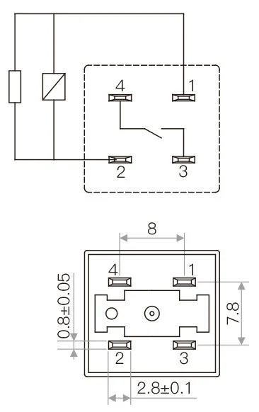
Tuotteessa on vakiolaatuiset QC-pikaliittimet, jotka helpottavat vaihtamista ja huoltoa.


OMINAISUUDET

Pienikokoinen paketti

1 Lomake A yhteydenottojärjestely

20A kytkentäkyky

2,8 mm QC-liittimet


Yhteystiedot

Yhteystiedot Arvo
Yhteydenottojärjestely A
Yhteydenottoluokitus 20A 14VDC
Jännitteen pudotus ≤200mV
Sähköinen kestävyys 1×10⁵ ops
Mekaaninen kestävyys 1×10⁷ op


Kelan parametrit

Kelan parametrit Arvo
Nimellisjännite 12VDC
Tehon hajaantuminen 0,95 W, 1,1 W
Poimintajännite (max) 65 % nimellisjännitteestä
Pudotusjännite (min) 10 % nimellisjännitteestä


Muut parametrit

Muut parametrit Arvo
Ympäristön lämpötila (°C) -40°C ~ +125°C
Dielektrinen lujuus (käämi ja koskettimet, 1 min) 500 VAC
Dielektrinen lujuus (avoimet koskettimet, 1 min) 500 VAC
Eristysvastus (500VDC) 100MΩ
Kytkentäkaavio (kuva alhaalta) SLT Relay
Asennusreiän piirustus (näkymä alhaalta)
Irtisanominen QC (Quick Connect)
Paino 15 g


Hot Tags: Kiinalainen SLR-releen valmistaja, toimittaja
Lähetä kysely
Yhteystiedot
Tiedustelut tehoreleistä, signaalireleistä, autoreleistä tai hinnastosta, lähetä tiedustelu Songlelle,  Kiinan tärkeimmälle reletehtaalle!  jätä sähköpostiosoitteesi meille, niin olemme sinuun yhteydessä 24 tunnin sisällä.
X
Käytämme evästeitä tarjotaksemme sinulle paremman selauskokemuksen, analysoidaksemme sivuston liikennettä ja mukauttaaksemme sisältöä. Käyttämällä tätä sivustoa hyväksyt evästeiden käytön. Tietosuojakäytäntö
Hylätä Hyväksyä